şendemir logo
  • KATALOG
  • [email protected]
  • (0332) 251 50 00
  • Anasayfa
  • Kurumsal
  • Ürünler
    • Çelik Yapı Profiller
    • Kutu-Dikdörtgen Profiller
    • Demirler
    • Saclar
    • Borular
    • İnşaat Demiri
    • Transmisyon İmalat Çeliği
    • Çelik Hasır
  • Üretim
    • Lazer Kesim
    • Plazma Kesim
    • Abkant Büküm
    • Boru Büküm
    • NPI-NPU Büküm
    • Lama Büküm
    • Profil Büküm
  • Makina Parkı
    • Abkant Büküm
    • Lazer Kesim
    • Plazma Kesim
    • Oksijen Kesim
    • Sac-Silindir-NPU-NPI Profil Büküm
  • İletişim
  • Sanal Pos
  • Anasayfa
  • Çelik Yapı

Profiller

  • IPE Profil
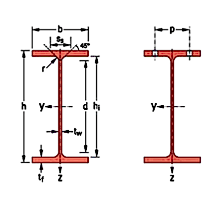
  • HEA-HEB-HEM Profil
  • HD Profil
  • HP Profil
  • NPI Profil
  • W Profil
  • HP(US) Profil
  • UB Profil
  • UBP Profil
  • UC Profil
  • UAP Profil
  • NPU Profil
  • L Profil
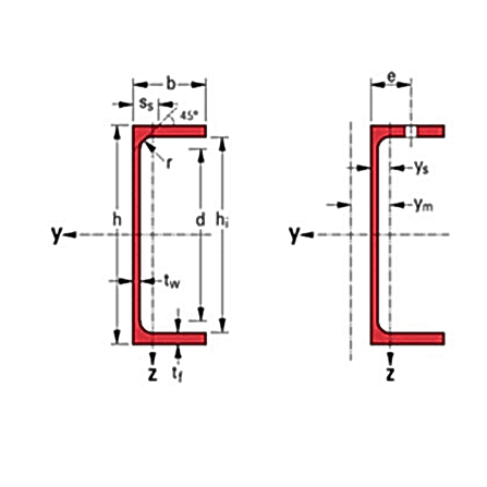
  • C Profil
  • HJ Profil
  • IFB Profil
  • SFB Profil
  • MASS Profil
Şendemir

Kurumsal

1973 yılında bugünlerin umudu ve hedefi ile atılan temellerin son derece sağlam yükselişi ile gelinen nokta... 13.000 m2 alanda.Toplamda 15.000 m2 alanda 80 çalışan, hiç bitmeyen kalite anlayışı ve buna bağlı üretim sevdası ve işte bu mücadeleyi teknolojisi ile yoğuran, her gününü bir sonrakine sürekli bir gelişim ve değişim içerisinde bağlayan bir anlayışın adı Şendemir.

İletişim

  • Adres:1.Organize Sanayi Bölgesi. İstikamet Caddesi No:50 Selçuklu-Konya

  • Telefon:(332) 251 50 00

  • E-mail: [email protected]

E-Bülten

Gelişmelerden ve yeni çıkan ürünlerimizden haberdar olmak için abone olun.

Başarılı! E-posta adresiniz listemize eklendi.

Şendemir Logo

© Copyright 2016. Tüm Hakları Saklıdır.